
Figure 2. Mini-X2 block diagram.
Mini-X2 X-ray Tube
Anode material: The Mini-X2 X-ray Tube is available with one of four anode materials: silver (Ag), gold (Au), rhodium (Rh), and tungsten (W). (Ag not available in 70kV)
Maximum Power: The Mini-X2 X-ray Tube is available with maximum power of 4 W or 10 W.
Maximum HV: Mini-X2 X-ray Tube is available with an HV range of either 10 to 50 kV or 35 to 70 kV.
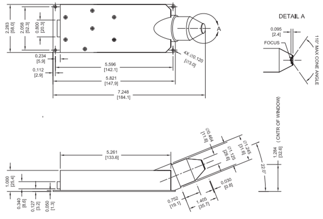
- Note that the mechanical dimensions depend on the HV and power options.
- Note that the higher power and/or HV variants require more radiation shielding than the lower power and/or HV variants.
- Note that the 70kV tube does not have a threaded nozzle for attaching collimators or filters.
X-ray tube interface: The Mini-X2 interfaces with X-ray tubes supplied by NSI (Newton Scientific). Their standard tubes use an analog interface while their new UltraMini tubes use a digital (I2C) interface. Both are supported by the Mini-X2 Controller.
Mini-X2 Controller
There is a single Mini-X2 Controller which interfaces with all the Mini-X2 X-ray Tube modules. Each Controller is programmed, at Amptek, for a specific X-ray Tube module, with its P/N, S/N, maximum kV, maximum power, etc. Amptek’s Firmware Manager software can be used to reconfigure the Controller for a different tube.
Amptek’s standard Mini-X2 Controller supports only USB communication and only the standard X-ray tubes. Contact Amptek for Controllers which interface with the UltraMini and/or which support an RS232 interface.
Vacuum Options
Amptek offers a vacuum feedthrough port for the Mini-X2 50kV units which allows customers to bring an x-ray source into a vacuum environment. There are 2 sizes, one for the 50kV 4W tubes, and one for the 50kV 10W tubes.
50kV, 4W Mini-X2 uses the CP100 vacuum feedthrough pn- ACC-XR0306A0 (ID for 1.00in OD tube)
50kV, 10W Mini-X2 uses the CP113 vacuum feedthrough pn- ACC-XR0307A0 (ID for 1.125in OD tube)